LDE一體式電磁流量計
電磁流量計是基于法拉第電磁感應定律工作的,用來測量電導率大于5μS/cm導電液體的體積流量,是一種測量導電介質體積流量的感應式儀表。除可測量一般導電液體的體積流量外,還可用于測量強酸強堿等強腐蝕液體和泥漿、礦漿、紙漿等均勻的液固兩相懸浮液體的體積流量。
廣泛應用于石油、化工、冶金、輕紡、造紙、環保、食品等工業部門及市政管理,水利建設、河流疏浚等領域的流量計量。
智能電磁流量計是我公司采用先進技術研制,開發與生產的液體流量測量儀表,具有高精度、高可靠性與使用壽命長等優點,為確保產品質量我公司在設計產品結構、選材、制定工藝,生產裝配與出廠測試等過程中,對每個環節細致研究與控制,并配套完整的流量標定檢測系統。 產品執行標準:JB/T-9428-1999。 |
★低頻三值矩形波恒流勵磁,不受工頻及現場各種雜散干擾的影響,性能穩定可靠。 ★采用非均勻磁場的新技術及特殊磁路結構,磁場穩定可靠,且縮小了體積,減輕了重量, 使流量計具有小型輕量化的特點。 ★具有空管自動檢測與電路處理功能。 ★可根據用戶實際需求現場在線修改量程。 ★測量管內無阻流件,因此無附加壓力損失。 ★測量結果與液體的壓力、溫度、密度、粘度、電導率(不小于最低電導率)等物理參數無關。 ★直管段相對要示求較短。 ★使用方便,安裝后只需接上電源, 不需其它任何操作,即可輸出標準信號,便于非專業人員 |
二、技術參數 | |
襯里及公稱通徑DN | 橡膠襯里 DN40~DN2200 |
DN(mm) | 四氟襯里 DN10~DN2200 |
形式 | 管段一體式 |
測量精度 | ±0.5%、±1.0% |
被測介質溫度 | 氯橡膠襯里:-20℃~+65℃ 聚氯脂橡膠:-20℃~80℃ |
聚四氟乙烯:-30℃~+180℃ 聚丙烯:-20℃~100℃ | |
額定壓力 | DN10~DN80:4.0MPa DN100~DN150:1.6MPa |
DN200~DN1000:1.0MP DN1200~DN2000:0.6 | |
流速范圍 | 0.3~12m/s |
電導率 | 被測流體導率不小于 |
輸出信號及負載電阻 | 4~20mA,0~1000Ω |
輸出頻率上限 | 1~5000Hz設定4~20mADC,0~500Ω具有防雷擊保護 |
供電電源 | 220VAC±10%,50Hz±5%、24VDC直流供電 |
連接方式 | 管道法蘭連接,符合標準:GB9119-88 |
防護等級 | 標準IP65、IP67、可選IP68 |
直管段長度 | 上游≥10DN,下游≥5DN |
串行通訊 | 可選RS232C或RS485脈沖輸出上限5000CP/S |
電極材料 | 含不銹鋼(M02Ti)、鈦(Ti)、鉭(Ta)、哈氏合金(HB)、鉑(Pt) |


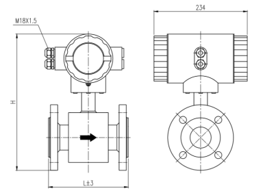
規格 | L (mm) | H (mm) |
DN15 | 200 | 285 |
DN20 | 200 | 290 |
DN25 | 200 | 300 |
DN32 | 200 | 318 |
DN40 | 200 | 330 |
DN50 | 200 | 343 |
DN65 | 200 | 359 |
DN80 | 200 | 378 |
DN100 | 250 | 398 |
DN125 | 250 | 432 |
DN150 | 300 | 460 |
DN200 | 350 | 530 |
DN250 | 400 | 583 |
DN300 | 500 | 633 |
DN350 | 500 | 685 |
DN400 | 600 | 743 |
DN450 | 600 | 792 |
DN500 | 600 | 840 |
DN600 | 600 | 946 |
DN700 | 700 | 1035 |
DN800 | 800 | 1144 |
DN900 | 900 | 1244 |
DN1000 | 1000 | 1345 |
DN1200 | 1200 | 1562 |
DN1400 | 1400 | 1775 |
DN1600 | 1600 | 1975 |
口徑mm | 流量范圍m3/h | 口徑mm | 流量范圍m3/h |
φ15 | 0.06~6.36 | φ450 | 57.23~5722.65 |
φ20 | 0.11~11.3 | φ500 | 70.65~7065.00 |
φ25 | 0.18~17.66 | φ600 | 101.74~10173.6 |
φ40 | 0.45~45.22 | φ700 | 138.47~13847.4 |
φ50 | 0.71~70.65 | φ800 | 180.86~18086.4 |
φ65 | 1.19~119.4 | φ900 | 228.91~22890.6 |
φ80 | 1.81~180.86 | φ1000 | 406.94~40694.4 |
φ100 | 2.83~282.60 | φ1200 | 553.90~55389.6 |
φ150 | 6.36~635.85 | φ1600 | 723.46~72345.6 |
φ200 | 11.3~1130.4 | φ1800 | 915.62~91562.4 |
φ250 | 17.66~176.25. | φ2000 | 1130.4~113040.00 |
φ300 | 25.43~2543.40 | φ2200 | 1367.78~136778.4 |
φ350 | 34.62~3461.85 | φ2400 | 1627.78~162777.6 |
φ400 | 45.22~4521.6 | φ2600 | 1910.38~191037.6 |
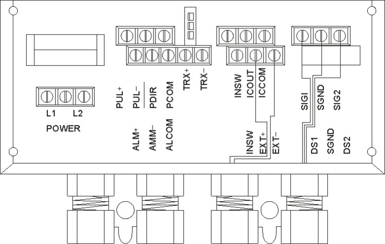
6.1 傳感器與轉換器接線 6.2 一體化圓表頭接線與標示

一體化電磁流量計轉換器與傳感器連接 分體式電磁流量計轉換器與傳感器連接
圓表各接線端子標示含義如下:
I+:流量電流輸出 AH:上限報警輸出
COM:電流輸出地 COM:報警輸出地
P+:雙向流量頻率(脈沖)輸出 FUSE:輸入電源保險絲
COM:頻率(脈沖)輸出地 L1:220V(24V)電源輸入
分體表頭接線端子圖


